氣動蝶閥
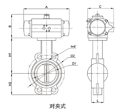
氣(qi)動(dong)蝶(die)閥(fa)是(shi)由(you)氣(qi)動(dong)執(zhi)行(xing)器(qi)和(he)蝶(die)閥(fa)組(zu)成(cheng)。氣(qi)動(dong)蝶(die)閥(fa)是(shi)用(yong)隨(sui)閥(fa)杆(gan)轉(zhuan)動(dong)的(de)圓(yuan)形(xing)蝶(die)板(ban)做(zuo)啟(qi)閉(bi)性(xing),以(yi)實(shi)現(xian)啟(qi)用(yong)動(dong)作(zuo)的(de)氣(qi)動(dong)閥(fa)門(men),主(zhu)要(yao)做(zuo)截(jie)斷(duan)閥(fa)使(shi)用(yong),亦(yi)可(ke)設(she)計(ji)成(cheng)具(ju)有(you)調(tiao)節(jie)或(huo)段(duan)閥(fa)兼(jian)調(tiao)節(jie)的(de)功(gong)能(neng),蝶(die)閥(fa)在(zai)低(di)壓(ya)大(da)中(zhong)口(kou)徑(jing)管(guan)道(dao)上(shang)的(de)使(shi)用(yong)越(yue)來(lai)越(yue)多(duo)。氣(qi)動(dong)蝶(die)閥(fa)可(ke)分(fen)為(wei):不鏽鋼氣動蝶閥,硬密封氣動蝶閥,軟密封氣動蝶閥,碳鋼氣動蝶閥。
氣動蝶閥的主要優點有:結構簡單,體積小重量輕,造價低。
©2021 - 2023 廣東粵康環保股份有限公司 版權所有 備案號:粵ICP備2021130901號 技術支持:品牌一站通
©2021 - 2023 廣州粵康環保工程有限公司 版權所有


